Товар в наличии
Цена по запросу
УСВР-4PoE/Wi-Fi поставляется с установленным жёстким диском.
Конструктивно узел выполнен в пластиковом пылебрызгозащищенном корпусе и может эксплуатироваться на открытом воздухе либо во влажных помещениях. Поддержание температуры внутри узла, в заданном диапазоне, производится автоматическим включением и отключением встроенного обогревателя.
Узел системы видеонаблюдения и регистрации УСВР-4PoE/Wi-Fi выпускается по техническим условиям ТУ 26.30.50-077-31006686-2017.По способу защиты человека от поражения электрическим током соответствует классу I по ГОСТ 12.27.0-75.Климатическое исполнение соответствует УХЛ1, 5 ГОСТ 15150-69. Степень защиты IP66.


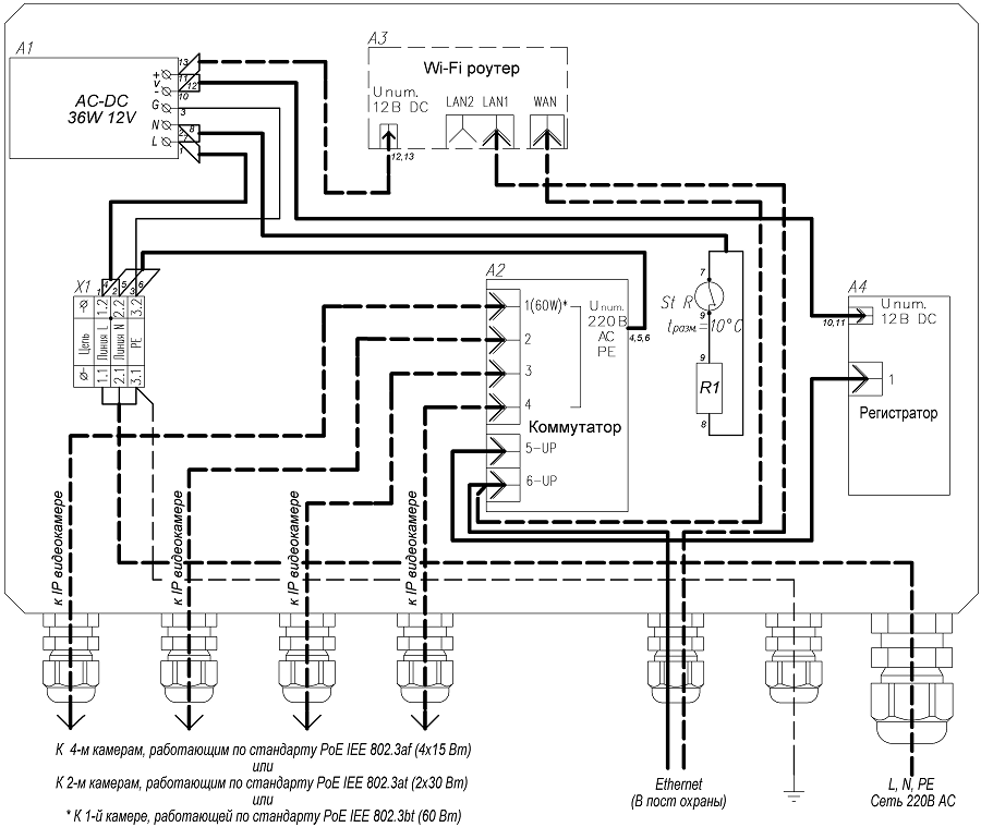
1. Корпус | 1шт. |
2. Панель монтажная | 1шт. |
3. Система обогрева в составе: | |
- биметаллический контактный выключатель (St R) | 1шт. |
- резистор обогрева (R1) | 1шт. |
4. Клемма проходная (S провода до 6 мм2) | 2шт. |
5. Клемма заземляющая (S провода до 6 мм2) | 1шт. |
6. Неуправляемый коммутатор | 2шт. |
7. AC/DC преобразователь 220/12В, 36Вт | 1шт. |
8. Wi-Fi роутер (для УСВР-4PoE/Wi-Fi) | 1шт. |
9. Сетевой видеорегистратор | 1шт. |
10. Гермоввод PGA7 - 08 Ø кабеля 8 ÷ 4,5 мм | 6шт. |
11. Гермоввод PGA11 - 10 Ø кабеля 10 ÷ 6 мм | 1шт. |
Характеристики товара
- Напряжение питания: 220 В AC ±10%, 50 Гц
- Питание подключаемых видеокамер/устройств: PoE IEEE 802.3af/(.3at)/(.3bt)
- Максимальная мощность, подключаемых видеокамер/устройств, не более,:
- – по стандарту PoE IEEE 802.3af (порты 1-4): 4х15 Вт
- – по стандарту PoE IEEE 802.3af (порты 1-4): 2х30 Вт
- – по стандарту PoE IEEE 802.3bt (порт 1): 60 Вт
- – общий бюджет PoE: 60 Вт
- Сетевой видеорегистратор (СВР) 4CH 5.0Mp (с установленным жёстким диском), Onvif/облако, приложение мобильного мониторинга, обнаружение лиц( с камерами на чипсетах XM530 и XM550):
- – Формат сжатия аудио: g711a
- – Разрешение видео (при частоте кадров 25 к/с): 720P, 960P, 1080P, 3MP, 4MP, 5MP
- – Формат сжатия видео: H.264, H.265
- – Жёсткий диск: 2.5′, 1 Тбайт
- – Сетевой интерфейс: RJ45 10/100 Base Ethernet
- – Сетевой протокол: smtp, ftp, HTTP, dhcp, DNS, TCP/IP, upnp, ddns, pppoe
- – Режим IP: Статический IP-адрес
- Обогрев:
- – напряжение питания: 220 В AC ±10%, 50 Гц
- – потребляемая мощность: 22 Вт
- Диапазон рабочих температур: – 40°С…+50°С
- Диапазон включения/отключения обогрева: 0°С ±3°С / +10°С ±3°С
- Максимальная потребляемая мощность: 123 Вт
- Материалы и поверхности изделия:
- – корпус: АБС пластик
- – монтажная панель: алюминий
- Габаритные размеры (с гермовводами): 300 х 230 х 110 мм
- Вес с упаковкой, не более: 3 кг
Параметры товара
Количество LAN-портов | 4 |
Макс. кол-во ip-каналов | 4 |
Суммарная скорость записи | 100 |
Количество отсеков для жестких дисков | 1 |
Количество каналов аудио | 1 |
Ethernet | 100 |
Количество портов PoE | 4 |
Максимальное разрешение канала | 5 |
Исполнение корпуса | Настольный |
HDD в комплекте | 1 Тб |
Поддержка p2p | Да |
ОС мобильных приложений | Android / IOS |
С видео-детектором движения | Да |
Работает в системе "умный дом" | Да |
Поддержка ONVIF | Да |
Тип | NVR |
Стандарт видеорегистратора | IP |
Тревожный вход | Нет |
Тревожный выход | Нет |
- Ethernet
- 100
- HDD в комплекте
- 1 Тб
- Выход RS-232
- Нет
- Выход RS-485
- Нет
- Для транспорта
- Нет
- Исполнение корпуса
- Настольный
- Количество LAN-портов
- 4
- Количество каналов аудио
- 1
- Количество отсеков для жестких дисков
- 1
- Количество портов PoE
- 4
- Макс. кол-во ip-каналов
- 4
- Максимальное разрешение канала
- 5
- Мобильные приложения
- Android / IOS
- Поддержка ONVIF
- Да
- Поддержка p2p
- Да
- Подключение монитора
- Нет
- Пульт ИК
- Нет
- Работает в системе умный дом
- Да
- С видео-детектором движения
- Да
- Суммарная скорость записи
- 100
- Тип
- NVR
- Управление USB-мышью
- Нет
Мы предлагаем следующие способы доставки товара:
Самовывоз из пункта выдачи
Самостоятельное получение заказа в пункте выдачи магазина или ТК. Дата и время получения заранее согласуется с менеджером магазина. Отгрузка товара юридическим лицам осуществляется только при наличии печати или правильно оформленной и заполненной доверенности, наличии паспорта получателя.
Курьерская доставка по Москве
Доставка по адресу покупателя или до пункта приема транспортной компании в г. Москве. Дата и время доставки заранее согласуется с менеджером магазина.
Доставка транспортной компанией по России
Доставка транспортной компанией по России до пункта выдачи транспортной компании или до конечного адреса покупателя.
Мы предлагаем следующие способы оплаты товара:
Оплата наличными
Оплата за наличный расчет для физических и юридических лиц. После внесения денежных средств Покупатель подписывает товаросопроводительные документы и получает кассовый чек.Безналичная оплата
Мы работаем с физическими и юридическими лицами за безналичный расчёт со 100% предоплатой с оформлением всех предусмотренных законодательством документов. Счёт на оплату направляется Покупателю на электронную почту после запроса счета через форму на сайте либо по электронной почте. Цена на заказанный товар действительна в течение 2 дней с момента оформления Заказа.Электронные способы
Оплата Заказа электронными способами, в т.ч. банковскими картами. Оплата Заказа данным способом доступна запросом ссылки на оплату у нашего менеджера.Мы предоставляем официальную гарантию на всю продукцию.
Сервис гарантии включает в себя:
- Прием в сервисном центре для диагностики дефекта.
- Ремонт (при необходимости) или замена товара.
- Бесплатную доставку клиенту после ремонта.
Цены для каждого клиента
Персональные и дилерские скидки
Доставка по России
Быстрая доставка по всей России от 1 до 4 дней
Гарантия на товары
Гарантия от официального поставщика
Сертифицированные специалисты
Консультация и помощь от профессионалов
Нет отзывов об этом товаре.